
PRODUCT CLASSIFICATION
产品分类
更新时间:2025-10-11
浏览次数:436在现代城市建设的浪潮中,建筑工地作为城市发展的重要组成部分,其临时用电系统的安全性与稳定性直接关系到施工进度和工人的生命安全。然而,由于工地环境复杂、用电设备繁多且经常移动,传统的电气保护设备往往难以满足实际需求。本文在施工地的漏电保护设备在投入使用中面临的问题的基础上提出了解决的办法和应注意的事项。
施工场所使用保护漏电设备的目的是确保施工地供电安全。保护漏电设备的主要作用就是通电设备在出现漏电的情况或者是在人体触电的时候出现致命危险的过程进行相应的保护。在施工现场,通常来说用电标准都达不到要求,所投入使用的设施与线路存在很多的安全问题,主要特点就是由较强流动性、多次重复性、临时性。
施工现场的电气安全痛点:ASJ 继电器的应用必要性
施工现场的用电环境具有显著特殊性,传统过载、短路保护无法覆盖“漏电”这一核心风险,具体痛点如下:
线路易破损漏电:临时电缆常拖拽、碾压于地面,绝缘层易被钢筋、碎石划破,导致相线与大地/设备外壳接触,产生漏电电流;
设备工况恶劣:水泵、电焊机、振捣棒等移动设备多在潮湿、粉尘环境下运行,内部绝缘易老化失效,引发漏电;
人员触电风险高:施工人员操作设备时手部易潮湿、接触金属部件,若设备漏电且无保护,仅几十毫安的电流即可致命;
电气火灾隐患大:长期小电流漏电会导致线路/设备绝缘层发热碳化,引燃周围易燃材料,且初期火灾隐蔽性强,难以及时发现。
ASJ 继电器的核心功能是准确监测剩余电流,当漏电电流达到预设阈值时,快速触发保护动作,恰好解决上述痛点,成为施工现场临时用电“防漏电、防触电、防火灾”的关键防线。
根据施工现场的用电回路类型(动力回路、照明回路、临时办公回路等),ASJ继电器的应用场景可分为以下几类,不同场景的保护配置和逻辑需针对性设计:
①移动用电设备回路:防设备漏电触电
适用设备:电焊机、混凝土振捣棒、手持电动工具、潜水泵、临时照明灯具等。
应用逻辑:这类设备多为单相220V或三相380V供电,且频繁移动,是漏电事故的高发源头。需在设备的“专用开关箱”内配置ASJ继电器,实现“一机一闸一漏一保护”。
保护阈值设定:考虑到人体安全电流(交流 30mA 为致命临界值),此类回路的ASJ继电器剩余电流动作值需≤30mA,动作时间≤0.1s,确保漏电时瞬间切断电源,避免人员触电。
典型案例:某工地振捣棒电缆被钢筋划破,相线接触设备外壳,此时ASJ继电器监测到35mA剩余电流(超过30mA阈值),0.08s 内触发断路器跳闸,操作人员仅感受到轻微麻感,未发生重伤事故。
②临时配电箱/分配电箱:区域级漏电防护
适用场景:施工现场按“总配电箱→分配电箱→开关箱”三级配电模式,分配电箱负责向多个开关箱供电(如某楼层的5个电焊机开关箱),需配置ASJ继电器实现“区域级保护”。
应用逻辑:分配电箱的ASJ继电器需覆盖下游所有设备的总漏电电流,动作阈值需略高于单个开关箱(通常设为50-100mA),避免单个设备轻微漏电导致区域断电,同时确保多个设备漏电叠加时能及时保护。若下游某开关箱的本地漏电保护失效,分配电箱的 ASJ 继电器可作为“备用保护”,防止故障扩大。
关键要求:需与下游开关箱的漏电保护形成“分级配合”:开关箱动作阈值(≤30mA)<分配电箱阈值(50-100mA),避免保护 “越级跳闸”,便于故障定位。
③潮湿/露天作业区域:强化型防漏电
适用场景:基坑降水、室外焊接、雨天混凝土养护等潮湿/露天环境,此时线路和设备的绝缘电阻会大幅下降,漏电风险显著升高。
应用逻辑:配置高灵敏度型ASJ继电器,剩余电流动作阈值可降至15-30mA,动作时间≤0.05s。

剩余电流继电器是指能同时完成检测剩余电流,将剩余电流与基准值相比较,以及当剩余电流超过基准值时,发出一个机械开闭信号的装置,包括剩余电流互感器和控制部分成为一体的整体式剩余电流继电器以及剩余电流互感器和控制部分分开安装,但通过电气连接组合在一起使用的分体式剩余电流继电器。
剩余电流继电器可与低压断路器或低压接触器等组装成组合式的剩余电流保护器,用来对电气线路进行接地故障保护,防止接地故障电流引起的设备和电气火灾事故,也可用来对人身触电危险提供间接接触保护。
剩余电流继电器也可与声光报警装置组成剩余电流监视器,用来监视电气线路中的接地故障电流。当额定剩余动作电流小于或等于0.5安时,也可作为剩余电流式火灾监控装置,用于监视系统的接地故障电流,防止由于接地故障电流引起的电气火灾。
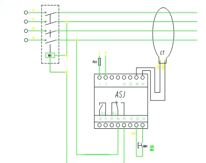
安科瑞电气ASJ系列剩余电流继电器能够与脱扣模块联用,及时切断电源,防止间接接触、限制漏电电流。也可以直接作为信号继电器,监控电力设备适用于工厂车间、工矿企业、地铁、石油化工用电场景的安全保护。
ASJ10系列产品为导轨安装,外形和功能如下表所示:
其中AC型和A型剩余电流继电器的区别是:AC型剩余电流继电器是对突然施加或缓慢上升的剩余正弦交流电流能确保脱扣的剩余电流继电器,主要监测正弦交流信号。A型剩余电流继电器是对突然施加的或缓慢上升的剩余正弦交流电流和剩余脉动直流电流能确保脱扣的剩余电流继电器,主要监测正弦交流信号和脉冲直流信号。
仪表具体的典型接线如下所示:
